Skladišni kontejneri
Skladišni kontejneri – Mobilbox prostorna rješenja
Pouzdana rješenja za vaše skladišne potrebe
Mobilbox nudi profesionalne skladišne kontejnere idealne za:
✔ Dodatni prostor za proizvodne potrebe
✔ Sigurno skladištenje građevinskog materijala
✔ Fleksibilno rješenje za sezonsko skladištenje
Ključne karakteristike:
- Različite veličine (10′, 20′, 40′) prilagodljive vašim zahtjevima
- Visoka kvaliteta izrade u skladu s ISO standardima
- Funkcionalan dizajn sa širokim vratima za jednostavan utovar
- Mogućnost kombiniranja više jedinica
- Brza realizacija s gotovim rješenjima na lageru
Zašto odabrati nas?
✅ Stručno savjetovanje
✅ Brza dostava diljem BiH
✅ Istovar na lokaciji
✅ Dugotrajna garancija kvalitete
Mobilbox – vaš pouzdan partner za mobilne skladišne prostore!
Dodatna oprema za skladišne kontejnere
- električne instalacije
- specijalizirane police
- kuke za alat
- protuprovalni sustav zaštite
- prozori i vrata
Centralni depo: Sarajevo
MX20
MX20 brodski/skladišni kontejner
- Kontejner izrađen prema ISO standardima i dimenzijama
- Prikladni za transport i skladištenje
- Visoka otpornost na vjetar i vodu
- Pod: debljina 170 mm (± 5 mm, mjereno prema unutarnjoj razini poda)
- Vrata: centralna dvokrilna vrata, vanjska zasunska šipka s bravom za zaključavanje
- Čvrsta čelična konstrukcija
- Ugrađeni utori za viličar
- Skladišni kapacitet: 33 m³/20′
- Važeća CSC potvrda (na zahtjev)
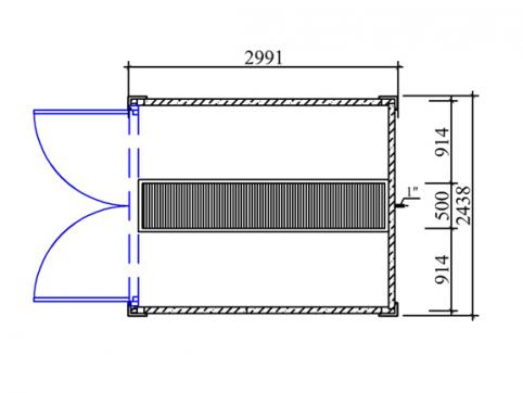
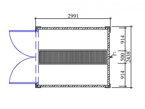
Dimenzije
| Tip | Vanjske dimenzije | Unutarnje dimenzije | Težina | ||||
| D | Š | V | D | Š | V | ||
| MX20 | 6,058 | 2,438 | 2,591 | 5,911 | 2,350 | 2,390 | 1,750 |
| MX20 E | 6,058 | 2,438 | 2,591 | 5,911 | 2,350 | 2,390 | 1,760 |
| MX10 | 2,991 | 2,438 | 2,591 | 2,850 | 2,350 | 2,390 | 1,150 |
| MX10 E | 2,991 | 2,438 | 2,591 | 2,850 | 2,350 | 2,390 | 1,160 |
| MX40 | 12,192 | 2,438 | 2,591 | 11,998 | 2,350 | 2,390 | 3,780 |
| MI20 | 6,058 | 2,438 | 2,591 | 5,911 | 2,338 | 2,340 | 1,980 |
| MK10 | 2,991 | 2,438 | 2,591 | 2,831 | 2,344 | 2,376 | 1,350 |
| MK20 | 6,058 | 2,438 | 2,591 | 5,898 | 2,344 | 2,376 | 2,200 |
| MO20 | 6,058 | 2,438 | 2,591 | 5,858 | 2,238 | 2,330 | 2,400 |
PIŠITE NAM
Za ponudu ispunite formular
Naše usluge
- najam kontejnera
- prodaja kontejnera
- savjetovanje
- dizajniranje kontejnera
- proizvodnja kontejnera
- postavljanje kontejnera (manipulacija kranom, sastavljanje)
- prijevoz kontejnera
- održavanje kontejnera
- izrada kontejnera prema posebnim zahtjevima
Područja primjene naših kontejnera
- uredi za projektante
- uredi za voditelje gradilišta
- svlačionice
- smještajne jedinice
- radionice
- recepcija
- portirnica
- prodajni prostori
- stanice za testiranja
- skladištenje opreme
- skladištenje alata
- mobilni sanitarni čvor

















